КОМПЬЮТЕРНОЕ МОДЕЛИРОВАНИЕ ВИЗУАЛЬНЫХ ИНТЕРФЕЙСОВ ВИРТУАЛЬНЫХ ИНСТРУМЕНТОВ И ПРИБОРОВ
В.М. Дмитриев, Т.В. Ганджа, В.В. Ганджа, С.А. Панов
Томский государственный университет систем управления и радиоэлектроники, Россия
DmitriewVM@gmail.com, gandgatv@gmail.com, vasivik@gmail.com, spytech3000@gmail.com
Содержание
2. Многоуровневая структура виртуального прибора
3. Формализованное представление виртуальных приборов
5. Принципы формирования алгоритмов функционирования ВП
6. Интеграция виртуального прибора с компьютерной моделью объекта
7. Алгоритм формирования виртуального прибора
8. Пример формирования виртуального прибора «Функциональный генератор»
9. Виртуальные генераторы и измерительные приборы
Аннотация
В работе описываются принципы построения визуальных интерфейсов виртуальных инструментов и приборов, предназначенных для автоматизации выполнения вычислительных экспериментов в среде моделирования МАРС. Данная среда является универсальным средством компьютерного моделирования физически неоднородных объектов и систем с информационными, энергетическими и многокомпонентными вещественными потоками. Виртуальные инструменты и приборы позволяют максимально приблизить выполняемые вычислительные эксперименты к натурным. Для построения таких приборов используется система виртуальных инструментов и приборов, в которой каждый прибор формируется графически в виде взаимосвязанных компонентов на трех уровнях: визуальном, где представлена лицевая панель прибора, логическом, на котором формируются алгоритмы его работы, и объектном, содержащем схему сопряжения прибора с исследуемой компьютерной моделью. Формирования каждого виртуального прибора осуществляется путем нанесения компонентов на соответствующие уровни графического редактора и их соединения между собой на логическим и объектном уровнях. После того, как прибор отлажен, он может быть представлен макрокомпонентов и занесен в библиотеку моделей компонентов среды моделирования МАРС. Такой прибор может быть применен любым пользователем для исследования сформированных в среде МАРС компьютерных моделей технических объектов.
Ключевые слова: вычислительный эксперимент, визуализация результатов, виртуальный прибор, метод компонентных цепей, метода многоуровневого компьютерного моделирования.
Высшие и средние учебные заведения, научно-исследовательские институты и проектные организации, деятельность которых направлена на исследование, проектирование и разработку управляемых технических объектов (ТО), нуждаются в модернизации лабораторной базы, позволяющей выполнять физические (далее реальные) эксперименты над ТО, направленные на формирование структуры и принципов функционирования устройств управления. Для снижения затрат на их проведение на этапах первоначального исследования и функционального проектирования управляемых ТО целесообразно проводить компьютерные (виртуальные) эксперименты, выполняемые средствами компьютерного (математического и имитационного) моделирования. Выполняемые с их помощью виртуальные эксперименты над компьютерными моделями (КМ) технических объектов открывают возможности выбора требуемых значений параметров компонентов ТО, формирования и отладки алгоритмов управления с использованием виртуального аналога (компьютерной модели) управляемого объекта.
В настоящее время для построения виртуальных приборов (ВП), в основном для проведения реальных экспериментов, применяется программная система LabView [1] фирмы National Instruments (США) и интегрированный с ней аппаратно-программный комплекс NI Elvis [2]. Помимо этого, находят применение лаборатории фирмы ITE LTD (Израиль) [3], приборы научно-производственного предприятия «АУРИС» (Беларусь) [4]. Среди отечественных производителей можно выделить фирму «АКТАКОМ» [5], зарекомендовавшую себя на рынке контрольно-измерительной аппаратуры. Кроме того, что эти комплексы обладают высокой стоимостью, они требуют определенной квалификации пользователей, что ограничивает их применение в учебных и научных заведениях технического профиля. К тому же перечисленные комплексы программ позволяют автоматизировать лишь проведение реальных экспериментов, а современные тенденции развития образовательных технологий нуждаются в интеграции вычислительных и натурных экспериментов на лекционных, практических и лабораторных занятиях [6]. Максимального приближения вычислительного эксперимента к натурному можно достичь за счет реализации комплекса программ построения виртуальных измерительных приборов, ориентированных как на проведение вычислительных (виртуальных) и натурных (реальных) экспериментов.
В данной работе предлагается подход визуального построения виртуальных приборов генераторного и измерительного назначения, основанный на представлении приборов в виде многоуровневой компьютерной модели [7]. На основе этого подхода реализована система виртуальных инструментов и приборов [8], позволяющая создавать виртуальные приборы для целей их использования в вычислительных экспериментах, проводимых в среде многоуровневого компьютерного моделирования МАРС [9].
Виртуальным прибором (ВП) называется оконный интерфейс, имитирующий на компьютере логику работы реального прибора и предназначенный для генерации сигналов на исследуемую компьютерную модель технического объекта, а также для визуального отображения данных результатов анализа модели [10]. Для реализации поставленных целей каждый ВП по аналогии с реальным прибором должен содержать:
– лицевую панель, представляющую собой замкнутую экранную область, в которой осуществляется визуализация результатов измерения и моделирования, а также располагаются органы управления параметрами и характеристиками прибора;
– модель алгоритма функционирования прибора, осуществляющую обработку поступающих в прибор данных для их вывода на лицевую панель или подготовку информации к передаче на исследуемый с помощью данного прибора объект;
– интерфейс взаимодействия с исследуемой компьютерной моделью, представляющий собой выводы прибора для его подсоединения к необходимым для исследования точкам модели.
Согласно методу многоуровневого компьютерного моделирования [11] каждый виртуальный прибор будет представляться многоуровневой компьютерной моделью (рис. 1), состоящей из следующих взаимосвязанных уровней:

Рис. 1. Многоуровневое представление виртуального прибора.
– визуального уровня, содержащего лицевую панель ВП, состоящую из визуальных компонентов отображения данных в понятном исследователю ТО виде и органов интерактивного управления параметрами и характеристиками прибора;
– логического уровня, на котором формируется алгоритм функционирования прибора, состоящий из одной или нескольких визуально не взаимосвязанных алгоритмических цепочек, называемых алгоритмическими компонентными цепями;
– объектного уровня, где представлен интерфейс взаимодействия ВП с исследуемой компьютерной моделью, представленной в формате метода компонентных цепей (МКЦ) [12].
Представленная на рис. 1 структура может быть создана вместе с исследуемой моделью технического объекта, либо же быть обособленной в конкретный виртуальный прибор, представляющий собой макрокомпонент в формате метода многоуровневого компьютерного моделирования [11].
Интеграция трех уровней ВП, представленных в виде многоуровневых компьютерных моделей, осуществляется с помощью:
– измерительных компонентов, реализующих функцию передачи данных измерения характеристик объекта и результатов анализа компьютерной модели с объектного уровня на логический;
– компонентов-атрибутов, осуществляющих передачу сформированных команд управления параметрами прибора с логического уровня на объектный;
– компонентов-визуализаторов, выполняющих отображение переданной с логического уровня информации на визуальном уровне;
– компонентов-регуляторов, с помощью которых с визуального на логический уровень передаются пользовательские команды, направленные на измерения параметров ВП, значений параметров исследуемой КМ и воздействий на реальный ТО.
Любой виртуальный прибор генераторного или измерительного типа в формате метода многоуровневого компьютерного моделирования формально представляется в виде тройки объектов, называемой компонентной цепью (КЦ) виртуального прибора
CBП = (KBП, BBП, NBП),
где
KBП – множество компонентов ВП, реализующих его функциональность;
BBП – множество связей компонентов – ветвей его цепи;
NBП – множество узлов цепи, образованных связями компонентов.
Множество компонентов KBП включает в себя три подмножества:
KV – множество визуальных компонентов, из которых формируется лицевая панель прибора на визуальном уровне его многоуровневой модели;
KL – множество логических компонентов, организующих логику функционирования прибора;
KO – множество объектных компонентов, представляющих собой исследуемую компьютерную модели исследуемого ТО.
Рассмотрим данные множества компонентов, а также методику построения виртуального прибора.
Множество визуальных компонентов KV, каждый из которых имеет отображение на визуальном уровне многоуровневой компьютерной модели ВП, предназначено для формирования лицевых панелей приборов. К подлежащим визуализации с их помощью данным относятся данные измерения наблюдаемых характеристик реального объекта и результаты анализа его компьютерной модели. Множество визуальных компонентов включает в себя компоненты следующих подмножеств
KV = (KV1UKV2UKV3UKV4), (1)
где:
KV1 –множество компонентов визуализации статической информации, предназначенных для представления на лицевых панелях ВП статической информации для повышения их информативности;
KV2 – множество компонентов-визуализаторов результатов измерения и моделирования, представленных значениями числовых и нечисловых типов;
KV3 – множество управляющих компонентов, позволяющих пользователю вводить данные числовых и нечисловых типов данных для их использования в алгоритмах функционирования ВП;
KV4 – множество компонентов, обладающих специальными оконными интерфейсами для более детального исследования динамических характеристик, получаемых при изменении наблюдаемых переменных реального объекта и в результате анализа его модели.
Множество компонентов визуализации статической информации предназначено для повышения информативности лицевых панелей ВП. К ним относятся коэффициент «Надпись» (рис. 2). В нем в качестве параметра «Текст» вводится строка, статически отображаемая на визуальном уровне прибора.
![]()
Рис. 2. Компонент «Надпись» на визуальном слое.
Помимо этого, для изменения визуального представления компонента «Надпись» варьированию подлежат следующие параметры: использование/не использование рамки, цвет рамки, цвет текста, использование/не использование фона, шрифт и выравнивание текста (по центру, по левому краю, по правому краю).
Для визуализации результатов измерения и моделирования, представленных значениями числовых типов данных, используются компоненты-визуализаторы множества KV2. На визуальном уровне многоуровневой компьютерной модели ВП (рис. 3, а) каждый из них представляет собой графическое поле, на котором в понятной пользователю форме выводятся соответствующие результаты измерения и (или) моделирования.
|
|
|
|
а) |
б) |
|
Рис. 3. Компонент-визуализатор скалярных значений (емкость) а) отображение на визуальном уровне; б) отображение на логическом уровне |
|
Компоненты данного множества помимо изображения на визуальном уровне многоуровневой компьютерной модели ВП (рис. 3, б) имеют отображения на ее логическом уровне, где с помощью связи, образованной узлом n1, принимают подлежащее визуализации значение H. После этого у компонента-визуализатора, реализованного в виде определенного класса на объектно-ориентированном языке программирования Visual C++, вызывается функция перерисовки изображения компонента на визуальном уровне. В ней реализуется алгоритм пересчета принятого значения H в экранные координаты подвижного объекта (в случае емкости – в координаты уровня ее заполнения).
Одновременное отображение компонентов множества KV2 на визуальном и логическом уровнях многоуровневой компьютерной модели ВП реализует функцию подлежащих отображению значений с логического уровня модели на ее визуальный уровень
Управляющие компоненты множества KV3 предоставляют пользователю возможность вносить изменения в процесс работы алгоритмов функционирования ВП, а также задавать значения, использующиеся для расчета значений параметров исследуемой модели ТО и управляющих воздействий на реальный объект. К таким компонентам относятся различные кнопки, бегунки, цифровые табло с возможностью задания значений. Компоненты множества KV3 имеют свои отображения на визуальном (рис. 4, а) и логическом уровнях (рис. 4, б) многоуровневой КМ ВП.
|
|
|
|
а) |
б) |
|
Рис. 4. Управляющий компонент а) отображение на визуальном уровне; б) отображение на логическом уровне. |
|
На визуальном уровне многоуровневой КМ ВП такие компоненты обычно имеют определенный подвижный объект, меняющий свое положение при воздействии на него мышью. Данный подвижный объект, изменяющий свое текущее положение, указывает на определенное значение U, которое рассчитывается по определенной формуле относительно своих текущих координат. С помощью единственной связи, образованной узлом n1, данные компоненты передают текущее значение U с визуального на логический уровень многоуровневой компьютерной модели виртуального прибора.
Множество KV4 включает в себя компоненты, предназначенные для визуализации временных, частотных, параметрических и других характеристик. Такие компоненты помимо отображений на визуальном и логическом слоях многоуровневой КМ имеют специальные интерфейсные окна. Они позволяют более детально визуализировать и исследовать характеристики с помощью реализованных в них функций. К компонентам множества KV4 относятся компоненты «График», «Таблица», «Круговая диаграмма» и другие. Набор данных компонентов постоянно расширяется при решении задач различного класса.
Компонент «График», приведенный на рис. 5, предназначен для отображения массивов данных в графическом виде, в форме графиков, диаграмм, годографов и т.п. Принадлежа визуальному уровню многоуровневой КМ ВП, на ее логическом уровне он имеет свое отображение в виде компонента с переменным числом связей. Каждая из них, образованная узлом ni (где i=1..n, n – количество визуализируемых зависимостей), предназначена для поэтапного приема точек определенной визуализируемой зависимости.

Рис. 5. Компонент «График».
На визуальном уровне многоуровневой КМ ВП компонент «График» имеет свое отображение в виде поля, в котором строятся временные, частотные и параметрические зависимости, а также корневые и частотные годографы, вольтамперные и другие характеристики. Для их исследования необходимо открыть отдельное окно, представленное на рис. 6. Для этого требуется выполнить двойной щелчок мыши по изображению компонента на визуальном уровне КМ ВП.
Для исследования отображаемых в окне характеристик реализованы следующие функциональные опции:
– Опция «Отображение меток» предназначена для управления отображения точек, по которым был построен график. Это необходимо в случае, если точек достаточно мало, а включен режим определенной аппроксимации кривых относительно этих опорных точек. При включенной опции можно с помощью мыши «пробегаться» по точкам графика и смотреть значения абсциссы и ординаты каждой из них. При отключенной опции точки, по которым строится характеристика, не выделяются.
– Опция «Отображение линейных сканеров» позволяет управлять режимами линейных сканеров. На рис. 6 они представлены двумя вертикальными линиями. Для изменения положений сканеров необходимо при нажатой кнопке Ctrl на клавиатуре переместить сканер в необходимую позицию (левый сканер перемещается при нажатой левой кнопки мыши, а правый – при ее правой кнопке). В поле Обозначение происходит отображение значений характеристик, соответствующих положению левого и правого сканера, а также разностного значения между соответствующими координатами точек. Это бывает необходимо для исследования фазовых сдвигов, разниц амплитуд и других функциональных показателей характеристик.

Рис. 6. Окно исследования характеристик.
– Опция «В одном масштабе» позволяет масштабировать графики. При включенном режиме визуализация производится так, как показано на рис. 6. При отключенном – каждый график масштабируется на все окно. Для отключения определенного графика необходимо снять метку «Галочка» в окне «Обозначение». Точкой в нем обозначается график, для которого требуется визуализировать значения оси ординат;
– Сглаживание сплайном предназначена для включения/отключения режима кубической интерполяции между точками графика, что бывает необходимо, когда на график выводится небольшое количество точек. При отключенном режиме рядом стоящие точки соединяются прямой линией. Отключение данной опции позволяет ускорить процесс визуализации характеристик.
– Сетка позволяет показывать или скрывать масштабную сетку. При включенной опции на поле графика отображаются масштабная сетка и масштабные метки. Если она отключена, то зависимости визуализируются без линий и меток масштабной сетки.
– Начальный размер устанавливает начальное значение масштаба графика, которое было нарушено в результате применения различных режимов масштабирования.
– Режим точечного масштабирования позволяет управлять включением и отключением данного режима. При его включении производится увеличение масштаба около точки, в которой установлен курсор, при нажатии на левую кнопку мыши. Если нажата ее правая кнопка, то масштаб будет уменьшаться относительно выбранной курсором точки.
– Режим прямоугольного масштабирования предназначен для управления включением и отключением режима прямоугольного масштабирования. При включенном режиме с помощью прямоугольника, растягиваемого мышью по изображению графика, выбирается область, которую необходимо отобразить в окне графика. После того, как пользователь отпустит левую кнопку мыши, в окне графика будет визуализирована область характеристик, попавшая в растягиваемый прямоугольник.
Задание и изменения типа линий, меток и цветов, которыми отображается тот или иной график, осуществляется в окне «Выбор характеристик линии», которое приведено на рис.7.

Рис. 7. Окно Выбор характеристик линии.
Для вывода данных в табличной форме во множество компонентов KV4 входит компонент «Таблица». Он обладает специальным окном, приведенным на рис. 8 и предназначенным для вывода информации различных типов: строкового, численного (целого, вещественного, комплексного), логического.

Рис. 8. Вид документа Таблица.
Количество столбцов отображаемой в окне таблицы соответствует количеству организованных связей компонента «Таблица», который представлен на рис. 9.

Рис. 9. Компонент «Таблица».
Настройка свойств каждого столбца таблицы осуществляется в специальном окне, в котором указывается тип данных и длина столбца.
С помощью компонента «Таблица», подключенного ко входам компонента «График», можно получить значения точек отображаемых с его помощью характеристик.
На логическом уровне многоуровневой КМ виртуального прибора формируется математико-алгоритмическая модель алгоритма функционирования прибора. Она представляется в графической форме в виде одной или нескольких алгоритмических компонентных цепей, каждая из которых имеет вид
CA = (KA, BA, NA, M), (2)
где
KA – множество алгоритмических компонентов, принадлежащих логическому уровню многоуровневой КМ ВП. В это множество также входят компоненты-визуализаторы результатов измерения и моделирования множества KV2 и управляющие компоненты множества KV2, предназначенные для интерактивного управления параметрами виртуального прибора;
BA – множество связей алгоритмической КЦ;
NA – множество узлов алгоритмической КЦ;
M – множество передаваемых по связям сообщений с данными, полученными путем расчета записанной в явном виде модели компонента
Y = FA(PA, X), (3)
где
РА – параметры компонента множества KA (2);
X – входные данные компонента множества KA; Y – результат работы компонента.
Работа компонентов множества KA заключается в получении входных данных X, их преобразовании в соответствии с предписанным математико-алгоритмическим выражением FA, а также в передаче результатов Y другим компонентам, подключенным к выходным связям компонента.
Каждый компонент множества KA (2) представляется совокупностью множеств
KA = (PA, b, n, M),
где
PA – набор параметров компонента, значения которых не зависят от данных, принятых в сообщениях;
b – массив номеров ветвей компонента;
n – массив узлов компонента, предназначенных для образования связей с другими компонентами;
M – массив сообщений, размер которого соответствует количеству ветвей компонента.
Согласно методу компонентных цепей [12], являющемуся методологической основой метода многоуровневого компьютерного моделирования, каждый компонент множества KA формируется на основе четырех аспектов: геометрического, топологического, физического и математического (математико-алгоритмического).
Согласно геометрическому аспекту каждый компонент множества KA имеет свое графическое и (или) текстовое обозначение на логическом уровне многоуровневой КМ ВП. Для визуальных компонентов множества KV, имеющих свое отображение на логическом и визуальном уровнях, он предписывает правила визуализации полученных результатов, а также правила преобразования действий пользователя с управляющими компонентами на визуальном уровне.
Топологическим аспектом устанавливаются типы связей компонента, которые могут быть либо входными, либо выходными. По входным связям данные, являющиеся аргументами реализуемой компонентом функции FA (3), поступают в него для их последующего преобразования. Выходные связи позволяют передавать результаты обработки входных данных другим, подключенным к ним компонентам. Каждая алгоритмическая связь (входная или выходная) SAj задается парой значений (bj, nj), где bj – номер ветви связи, nj – номер ее узла, заданные в локальном координатном базисе компонента. Знак номера ветви bj определяет тип данной связи. Если указан знак «минус», то есть bj<0, то она считается входной. Для выходных ветвей, ветвь берется со знаком «плюс», то есть bj>0. Коммутация связей компонентов множества KA производится на основании правила 1:
Правило 1. Согласно топологическому аспекту в одном узле, образованном соединениями компонентов, допускается соединение нескольких входных KI_1, KI_2, …, KI_n и нескольких выходных алгоритмических связей KO_1, KO_2, …, KO_m (рис. 10). При этом не допускается, чтобы к одному узлу были подсоединены либо только входные (m=0), либо только выходные связи (n=0) компонентом множества KA.

Рис. 10. Правило соединения алгоритмических компонентов.
Физическим аспектом, накладывающим согласно методу многоуровневого компьютерного моделирования, физический смысл на переменные связей, для алгоритмических цепей (2) определяются типы передаваемых по связям данных. К ним относятся числовые и нечисловые типы. К числовым типам относятся целочисленный, вещественный и комплексный типы, являющиеся скалярными типами данных, а также массивы (вектора и матрицы), элементами которых являются переменные данных типов. Нечисловыми типами данных являются строковые, табличные типы данных, а также графические типы, определяющие параметры визуализации данных (форму, цвет, цветовой градиент и т.п.) на визуальном уровне многоуровневой КМ ВП. Физический аспект накладывает ограничения на соединения связей компонентов, определяемые правилом 2.
Правило 2. Соединение в одном узле допустимо между связями компонентов, по которым передаются и принимаются данные одного и того же типа данных.
Математический аспект определяет математико-алгоритмические выражения, предназначенные для преобразования входных данных в выходные. Обобщенно математико-алгоритмическую модель компонентов данного множества можно представить в явном виде
VI2 = F(P, VI1),
где P – параметры компонента, значения которых задаются и изменяются пользователем и не зависят от работы компонента; VI1 – входные данные, поступающие на вход компонента посредством связей SI1; VI2 – выходные связи, являющиеся результатами работы алгоритмической функции F и предназначенные для передачи другим компонентам, подключенным к связям SI2 данного компонента.
Множество алгоритмических компонентов KA (2) позволяет формировать принадлежащие логическому уровню многоуровневой компьютерной модели ВП один или несколько алгоритмов, представленных своими алгоритмическими компонентными цепями. Оно включает в себя компоненты следующих типов
KA = (KAS, KAP, KAR),
где
KAS – компоненты-источники данных (рис. 11, а), предназначенные для передачи в алгоритмы функционирования ВП данных различных типов. К ним относятся компоненты, осуществляющие передачу данных с объектного или визуального на логический уровень многоуровневой модели ВП, и компоненты, принимающие информацию от исследуемого реального объекта или внешних хранилищ данных;
|
|
|
|
|
а) |
б) |
в) |
|
Рис. 11. Типы компонентов для
построения и моделирования |
||
KAP – компоненты-преобразователи данных (рис. 11, б), работа которых заключается в преобразовании входных данных, поступающих на входные связи SI1, в результаты определенного типа данных, передаваемых другим компонентам через выходные связи SI2;
KAR – компоненты-приемники данных (рис. 11, в), осуществляющие прием данных с помощью входных связей SI1 с целью их передачи с логического уровня многоуровневой модели ВП на ее визуальный или объектный уровень.
Каждая входная SI1 и выходная связи SI2 согласно методу компонентных цепей [12], лежащему в основе разработки метода многоуровневого компьютерного моделирования [11], характеризуется двумя топологическими координатами – ветвью bj и узлом nj, номера которых заданы в локальном координатном базисе компонента. При построении алгоритмической компонентной цепи прибора их всех компонентов, находящихся на логическом уровне его многоуровневой КМ, каждая ветвь bj идентифицируется своим уникальным номером BJ. Каждый узел nj любого компонента множества KA может быть присоединен только к одному узлу Nj ϵ NA, идентифицируемым своим уникальным номером в глобальном координатном базисе алгоритмической КЦ (2).
На объектном уровне виртуального прибора формируется компьютерная модель исследуемого объекта, в которую он встраивается в виде измерительных компонентов. В методе многоуровневого компьютерного моделирования компьютерная модель исследуемого объекта представляется в виде компонентной цепи
CO = (KO, BO, NO) (4)
где
KO – множество компонентов исследуемого объекта;
BO – множество связей (ветвей) компонентов множества KO, между которыми протекают информационные, энергетические и многокомпонентные вещественные потоки [13];
NO – множество узлов, образованных соединениями связей компонентов множества BO.
Множество компонентов KO из (4) включает в себя множество источников, преобразователей и измерителей информационных сигналов, потоковых и потенциальных переменных энергетических и вещественных связей, а также измерители концентраций веществ, содержащихся в потоках.
Анализ КЦ с целью определения значений всех переменных ее связей, образованных компонентами множества KO, на каждом шаге решения в статическом и динамическом режимах осуществляется универсальным вычислительным ядром [14]. Его задачами являются автоматическое составление и решение системы алгебро-дифференциальных уравнений, формируемой на основе опроса топологического и вычислительного блоков компонентов множества KO. Для вывода результатов после каждой итерации решения осуществляется опрос измерительного блока компонентов, на котором особые компоненты, называемые компонентами-измерителями, производят передачу соответствующих значений из объектного уровня многоуровневой КМ ВП на ее логический уровень. Совокупность введенных измерителей представлена в таблице 1.
Таблица 1. Измерительные компоненты среды многоуровневого компьютерного моделирования ИСУ СТО
|
Измеритель |
Отображение на объектном уровне |
Отображение на логическом уровне |
Математическая модель |
|
Измеритель потенциальной переменной Vn |
|
|
Vn2=Vn1 |
|
Измеритель потоковой переменной Vb |
|
|
Vn3=Vb1 |
|
Измеритель разности потенциальных переменных dVn |
|
|
Vn3=Vn1-Vn2 |
Рассмотренные множества визуальных KV, логических KL и объектных KO компонентов, которые позволяют сформировать совокупность виртуальных приборов и использовать их для анализа компьютерной модели исследуемого технического объекта. Любой виртуальный прибор формируется на основе описанного ниже алгоритма
Виртуальный прибор генераторного или измерительного типа формируется пользователем из визуальных компонентов KV (1), представляющих собой лицевую панель прибора на визуальном уровне его КМ, а также из логических компонентов, реализующих алгоритмы его функционирования на логическом уровне. Помимо этого, для проведения виртуальных экспериментов формируется схема его сопряжения с исследуемой компьютерной моделью ТО на объектном уровне. Последовательность действий пользователя по формированию виртуального прибора (рис. 12), состоит из следующих этапов:
1. На этапе Составления технического задания на прибор выявляются задачи, на решение которых направлен формируемый ВП, а также производится выявление его параметров, подлежащих варьированию с помощью визуальных компонентов на лицевой панели прибора, их интервалов варьирования и единиц измерения.
2. На основании сформированного технического задания на прибор производится Формирование лицевой панели прибора, которое заключается в выборе необходимых визуальных компонентов множества KV (1) и их параметров. На данном этапе производится задание геометрических размеров компонентов на визуальном уровне, шрифтов отображения числовой и строковой информации, а также взаимное расположение визуальных компонентов, представляющих собой лицевую панель прибора.

Рис. 12. Последовательность действий пользователя по формированию виртуального прибора.
3. После того, как сформирована лицевая панель ВИ, ее визуальные компоненты будут иметь свои отображения на логическом уровне многоуровневой КМ ВП. Путем добавления на этот уровень необходимых логических компонентов множества KA (2), осуществляющих преобразование входных данных в выходные, производится формирование алгоритмов работы прибора.
4. Формирование интерфейсных связей прибора с КМ исследуемого объекта производится путем оформления данного прибора в макрокомпонент. Для этого применяется специальный компонент «Интерфейс», задачами которого является обособление прибора в специальный компонент и выстраивание его необходимых связей с другими компонентами, а также генерация лицевой панели прибора в виде отдельного окна, представляющего собой визуальное изображение прибора.
5. Тестирование прибора заключается в проверке правильности работоспособности всех функциональных узлов ВП. Для этого необходимо подвергнуть прибор функционированию во всех режимах работы, заявленных в техническом задании, проверяя при этом правильность задания параметров с помощью управляющих компонентов множества KV3 (1) и отображения измеряемых характеристик на компонентах-визуализаторах KV2.
На основании приведенной последовательности действий любой пользователь имеет возможность формирования виртуального генератора или измерительного прибора для его использования при исследовании компьютерных моделей, представленных компонентными цепями на объектном уровне многоуровневой компьютерной модели ВП.
Рассмотрим процесс формирование виртуального прибора на примере создания прибора «Функциональный генератор»
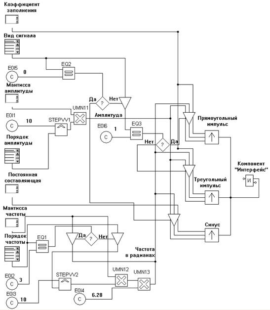
1. Составление технического задания на прибор. Виртуальный прибор «Функциональный генератор» предназначен для генерирования периодического сигнала одной из трех форм: синусоидальной, прямоугольной или треугольной с последующим расчетом текущего значения формирования соответствующего уравнения относительно переменных связей данного компонента. Значение амплитуды сигнала задается в виде числа в диапазоне [1; 999]. При этом к нему добавляются единицы измерения: микровольты (мкВ), милливольты (мВ), вольты (В), киловольты (кВ), мегавольты (МВ). Частота генерируемого сигнала должна задаваться в виде числа в диапазоне [1; 999], которое может быть представлено в герцах (Гц), килогерцах (кГц), мегагерцах (МГЦ) или в радианах на секунду (рад/с). Постоянная составляющая сигнала задается в тех же единицах измерения, что и амплитуда, и может изменяться в диапазоне [-999; 999]. Для треугольного и прямоугольного сигнала требуется задание скважности, которая задается в процентах от периода в диапазоне [0; 100]. Прибор должен по заданному значению текущего времени моделирования t высчитывать текущее значение сигнала F(t) и подставлять его в уравнение прибора в виде свободной составляющей
Vn1G – Vn2G= F(t)
Один полный период сигнала должен быть визуализирован на лицевой панели формируемого прибора.
2. Формирование лицевой панели прибора. Для задания вида генерируемого с помощью прибора сигнала целесообразно использовать визуальный компонент «Комбинированный список». Элементами этого списка являются поля «Синусоида», «Прямоугольник», «Треугольник», соответствующие названиям форм генерируемого сигнала. С помощью цифрового табло задается значение амплитуды в диапазоне значений [1; 999]. Комбинированный список используется для задания единицы измерения амплитуды. С его помощью может быть выбрано одно из полей: мкВ, мВ, В, кВ или МВ. Значение частоты в диапазоне значений [1; 999] задается цифровым табло, а единицы измерения (Гц, кГц, МГц или рад/с) задаются с помощью комбинированного списка. Скважность импульсов, измеряемая в процентах, устанавливается с помощью цифрового табло и может варьироваться в диапазоне [0; 100]. Постоянная составляющая сигнала, единицы измерения которой совпадают с единицами измерения амплитуды, задается цифровым табло. Построенная на основе этого лицевая панель функционального генератора представлена на рис. 13.
3. Формирование алгоритмов работы прибора предполагает вычисление новых значений амплитуды, частоты и постоянной составляющей сигнала на основе вводимых и изменяемых пользователем данных. Для построения алгоритмических КЦ (2) используются математические и алгоритмические компоненты. Каждый математический компонент реализует определенную математическую операцию (сложение, умножение, вычитание, деление, возведение в степень и т.п.). С помощью алгоритмических компонентов, к классу которых относятся компоненты сравнения и компоненты логических (булевых) операций, представляются ветвления алгоритмов функционирования приборов.

Рис. 13. Лицевая панель виртуального прибора «Функциональный генератор».
Для встраивания ВП «Функциональный генератор» в исследуемую модель ТО используется компонент «Интерфейс», осуществляющий сопоставление топологических координат связей виртуального прибора с соответствующими координатами его алгоритмической КЦ, приведенной на рис. 14.
4. Формирование интерфейсных связей прибора представляется тем, что сам прибор объявляется макрокомпонентом и помещается в соответствующее дерево макрокомпонентов среды многоуровневого компьютерного моделирования, где может быть использован пользователем для проведения виртуальных экспериментов.
5. Тестирование прибора заключается в проверке работоспособности всех составных частей ВП «Функциональный генератор». Для этого была разработана компьютерная модель электрической схемы в виде последовательной RLC-цепи, сигналы которой – напряжение на сопротивлении и на емкости – снимаются виртуальным прибором «Двухканальный осциллограф» и визуализируются на его лицевой панели (рис. 15).

Рис. 14. Алгоритмическая компонентная цепь виртуального прибора «Функциональный генератор».
На основе виртуального прибора «Функциональный генератор», созданного в системе виртуальных инструментов и приборов, приведен пример разработки виртуального прибора, предназначенного для исследования компьютерных моделей технических объектов и систем в учебных и научно-исследовательских целях.

Рис. 15. Схема для проверки работоспособности виртуального прибора «Функциональный генератор».
В рамках виртуальной лаборатории по дисциплине «Теоретические основы электротехники», который является базовым курсом большинства технических специальностей и направлений бакалавриата, реализованы следующие виртуальные приборы генераторного и измерительного назначения, позволяющие исследовать модели электрических цепей в статическом и динамическом режимах.
1. Функциональный генератор – виртуальный прибор, предназначенный для генерации периодического сигнала одной из трех форм: синусоидальной, трапецеидальной и треугольной.
На его лицевой панели, приведенной на рис. 13, с помощью визуальных компонентов задаются вид сигнала, его амплитуда и частота, коэффициент заполнения – для трапецеидального и треугольного сигнала, а также постоянная составляющая, на которую относительно нуля сдвигается центр генерируемого сигнала.
2. Генератор сигнала произвольного вида предназначен для формирования импульсного сигнала, основанного на ломаной линии, состоящей из пяти точек. Для каждой из них на лицевой панели прибора, представленной на рис. 16, задается значение сигнала в данной точке и значение времени, в которое должно наступить данное значение на выходе генератора.

Рис. 16. Лицевая панель ВП «Генератор сигнала произвольного вида».
Полученный в результате набора точек период сигнала повторяется периодически. Значение сигнала в каждой точке задается в диапазоне от -1000 до 1000, при этом она может измеряться в микровольтах (мкВ), милливольтах (мВ), вольтах (В), киловольтах (кВ) или в мегавольтах (МВ). Время наступления точки задается относительно начала периода сигнала и может изменяться от 0 до 1000. При этом это значение может быть указано в секундах (с), миллисекундах (мс), микросекундах (мкс).
3. Мультиметр является виртуальным измерительным прибором, позволяющим измерять основные величины электрических сигналов: напряжение, силу тока, сопротивление, проводимость, мощность и разность фаз между переменным током и напряжением на обозначенном прибором участке электрической цепи. Выбор измеряемой величины осуществляется с помощью визуального компонента «Комбинированный список» на лицевой панели прибора, которая представлена на рис. 17.

Рис. 17. Лицевая панель ВП «Мультиметр».
4. Измеритель мощности, имея три выхода, позволяет осуществлять измерение полной, активной, реактивной и комплексной мощности.

Рис. 18. Лицевая панель ВП «Измеритель мощности».
Выбор вида измеряемой мощности осуществляется с помощью комбинированного списка, расположенного на лицевой панели прибора, приведенной на рис. 18.
5. Двухканальный осциллограф – это виртуальный прибор, позволяющий визуализировать формы двух сигналов (напряжений или токов), полученных в результате анализа исследуемой модели цепи в среде МАРС. На его лицевой панели, представленной на рис. 19, могут быть заданы следующие параметра прибора:

Рис. 19. Лицевая панель ВП «Двухканальный осциллограф».
Развертка сигнала соответствует длительности одной клетки поля визуализации характеристик по оси абсцисс и задается с помощью цифрового табло со спином и комбинированного списка, определяющего единицы измерения развертки: секунды (с), миллисекунды (мс) или микросекунды (мкс).
Для каждого из сигналов в отдельности задается усиление и смещение. Усиление сигнала задается с помощью двух комбинированных списков. С помощью первого задается мантисса усиления, которая может принимать значения 1,2 или 5, а с помощью второго – порядок усиления, изменяющийся от 10-6 до 10+6, что позволяет исследовать различные по энергетическим характеристикам сигналы. Смещение сигнала относительно нуля задается с помощью цифрового табло, которым в диапазоне от -10 до +10, устанавливается мантисса смещения, и комбинированного списка, устанавливающего порядок смещения, аналогично порядку усиления сигнала.
В цифровых табло dX и dY выводятся разницы между текущими значениями сканеров по соответствующим осям, которые на графике представлены черными уголками внизу и слева на поле вывода осциллограмм.
6. Построитель частотных характеристик – ВП, предназначенный для визуализации основных исследуемых частотных характеристик – амплитудно-частотной и фазочастотной характеристик. С помощью одного прибора они могут быть построены как для напряжения, так и для тока ветви, в которую он включен. Выбор величины производится с помощью соответствующего комбинированного списка «Измеряемая величина» на лицевой панели прибора, которая приведена на рис. 20.

Рис. 20. Лицевая панель ВП «Построитель частотный характеристик».
Диапазон частот, в котором производится построение частотных характеристик, задается минимальной и максимальной частотой, которые могут измеряться в герцах (Гц), килогерцах (кГц) и мегагерцах (МГц).
Управление амплитудно-частотной характеристикой осуществляется с помощью усиления и смещения сигнала, которые задаются в блоке визуальных компонентов «Масштаб АЧХ». Управление фазочастотной характеристикой производится с помощью комбинированного списка, с помощью которого можно выбрать один из предложенных масштабов.
7. Спектроанализатор – ВП, позволяющий автоматически выполнить спектральный анализ проходящего через него сигнала. На его лицевой панели, представленной на рис. 21, задаются следующие параметры прибора:
– фундаментальная частота, которая является частотой первой гармоники и относительно которой осуществляется разложение сигнала в ряд Фурье;
– число гармоник, амплитуда и фаза которых должны быть определены при спектральном разложении сигнала;
– усиление, с которым осуществляется вывод амплитуд гармоник, полученных в результате анализа сигнала.
На лицевой панели прибора также приводится таблица, в которой при нажатии на кнопку «Вывод в таблицу» появляются числовые значения частоты, амплитуды и фазы рассчитанных гармоник сигнала.

Рис. 21. Лицевая панель ВП «Спектроанализатор».
Таким образом, в рамках системы ВИП разработаны виртуальные приборы, предназначенные для максимального приближения виртуального эксперимента, проводимого над компьютерными моделями электрических цепей в рамках среды многоуровневого компьютерного моделирования МАРС. На базе рассмотренных ВП реализованы компьютерные модели установок исследования электрических цепей в установившемся и переходном режимах. Они включены в состав соответствующей виртуальной лаборатории, внедренной в учебный процесс кафедры Моделирования и системного анализа Томского государственного университета систем управления и радиоэлектроники.
В статье рассмотрены принципы построения виртуальных инструментов и приборов, предназначенных для автоматизации вычислительного эксперимента в среде многоуровневого компьютерного моделирования МАРС [9], максимально приближенного к реальному эксперименту. Виртуальные приборы, созданные в системе виртуальных инструментов и приборов, представляются в виде многоуровневых компьютерных моделей. Каждая из них содержит лицевую панель, алгоритм функционирования прибора и интерфейс его взаимодействия с исследуемой моделью технического объекта. В настоящее время создан комплекс виртуальных инструментов и приборов, позволяющих производить эксперименты над электрическими цепями и управляемыми техническими объектами различной физической природы.
Дальнейшим развитием представленных исследований является интеграция виртуальных приборов с аппаратно-программными комплексами, включающими источники, генераторы и измерительные приборы. Это позволит с помощью тех же виртуальных инструментов и приборов осуществлять исследование реальных объектов и систем, а также проводить интегрированные виртуально-физические эксперименты, в которых часть объекта представлена реально, а часть – в виде модели. Построенный инструментарий откроет возможности формирования новых моделей компонентов и повышения их адекватности на основе данных измерения реального прототипа.
1. Автоматизация физических исследований и эксперимента: компьютерные измерения и виртуальные приборы на основе LabVIEW 7. Под. ред. Бутырина П.А. М.: ДМК Пресс, 2005. 264 с.
2. Комплект виртуальных приборов для учебных лабораторий NI ELVIS. Технические средства. Руководство пользователя. National Instruments. 2006.
3. ITE – Automotive training. Automotive, Electronics and Communications Vocational Training and Education. URL: www.itelrd.com
4. Сайт компании «АУРИС» URL: http://www.auris.ru/rus/newsarch.htm.
5. АКТАКОМ – Измерительные приборы, паяльное оборудование, промышленная мебель. URL: www.aktakom.ru.
6. Пец А.В. Интеграция вычислительного и натурного эксперимента на лекционных и лабораторных занятиях. Известия Балтийской государственной академии рыбопромыслового флота: психолого-педагогические науки. 2009. № 29-1. С. 97-100.
7. Дмитриев В.М., Ганджа Т.В. Принцип формирования многоуровневых компьютерных моделей SCADA-систем для управления сложными технологическими объектами. Информатика и системы управления. 2013. № 2 (36). С. 24-36.
8. Дмитриев В.М., Ганджа Т.В., Ганджа В.В., Мальцев Ю.И. СВИП – система виртуальных инструментов и приборов. Томск: В-Спектр, 2014. 216 с.
9. Дмитриев В.М., Шутенков А.В., Зайченко Т.Н., Ганджа Т.В. МАРС – среда моделирования технических устройств и систем. Томск: В-Спектр, 2011. 278 с.
10. Дмитриев В.М., Ганджа Т.В., Коротина Т.Ю. Редактор виртуальных инструментов и приборов. Приборы и системы. Управление. Контроль. Диагностика. 2009. № 6. С. 19-24.
11. Дмитриев В.М., Ганджа Т.В. Принцип формирования многоуровневых компьютерных моделей SCADA-систем для управления сложными технологическими объектами. Информатика и системы управления. 2013. № 2 (36). С. 24-35.
12. Дмитриев В.М., Арайс Л.А., Шутенков А.В. Автоматизация моделирования промышленных роботов. М.: Машиностроение, 1995. 304 с.
13. Дмитриев В.М., Ганджа Т.В., Важенин С.К. Принципы построения моделей сложных технологических объектов с неоднородными векторными связями. Современные технологии. Системный анализ. Моделирование. 2014. № 1. С. 104–111.
14. Дмитриев В.М., Шутенков А.В., Ганджа Т.В. Архитектура универсального вычислительного ядра для реализации виртуальных лабораторий. Приборы и системы. Управление. Контроль. Диагностика. 2004. № 2. С. 24-28.
COMPUTER SIMULATION OF THE VISUAL INTERFACE IN VIRTUAL INSTRUMENTS AND DEVICES
V.M. Dmitriev, T.V. Gandzha, V.V. Gandzha, S.A. Panov
Tomsk State University of Control Systems and Radioelectronics, Russian Federation
DmitriewVM@gmail.com, gandgatv@gmail.com, vasivik@gmail.com, spytech3000@gmail.com
Abstract
The paper describes the principles of visual interfaces of virtual instruments and devices designed to automate computational experiments in the simulation environment MARS. This environment is a universal means of computer modeling of inhomogeneous physical objects and system with information, energy and multicomponent flows. Virtual instruments and devices allow performed as close to full-scale computational experiments. For the construction of such devices uses a system of virtual instruments and devices, in which each device is formed graphically as interrelated components at three levels: the visual, which shows the front panel of the device, logical, which formed algorithms of its work, and the object that contains the circuitry interfacing the device with studied computer model. The formation of each virtual device is performed by applying appropriate levels of components of the graphical editor and their connections to each other in a logical and objects levels. Once the devices is debugged, it can be represented by macrocomponent and is listed in the library of component models simulate environment MARS. Such a device can be used by anyone to study MARS formed in the medium of computer models of technical objects.
Keywords: Calculate experiment, visualization of results, virtual device, the method of component circuits, the method of multilevel computer modeling.
1. Avtomatizacija fizicheskih issledovanij i jeksperimenta: komp'juternye izmerenija i virtual'nye pribory na osnove LabVIEW 7 [Automation of Physical Research and experiment: Computer measurements and virtual instruments based on LabVIEW 7]. Ed. Butyrina P.A. Moscow. DMK Press. 2005. 264 p. [In Russian]
2. Komplekt virtual'nyh priborov dlja uchebnyh laboratorij NI ELVIS [Set of virtual instruments for NI ELVIS teaching laboratories]. Technical means. User guide. National Instruments. 2006. [In Russian]
3. ITE – Automotive training. Automotive, Electronics and Communications Vocational Training and Education. URL: www.itelrd.com
4. Website of "Auris". URL: http://www.auris.ru/rus/newsarch.htm.
5. AKTAKOM - Measuring instruments, soldering equipment, industrial furniture. URL: www.aktakom.ru.
6. Pec A.V. Integracija vychislitel'nogo i naturnogo jeksperimenta na lekcionnyh i laboratornyh zanjatijah [The integration of computing and natural experiment on lectures and laboratory classes]. News of the Baltic Fishing Fleet State Academy: psycho-pedagogical sciences. 2009. no. 29-1. pp. 97-100. [In Russian]
7. Dmitriev V.M., Gandzha T.V. Princip formirovanija mnogourovnevyh komp'juternyh modelej SCADA-sistem dlja upravlenija slozhnymi tehnologicheskimi ob#ektami [The principle of forming multi-level computer models of SCADA-systems for the management of complex technological objects]. Information science and control systems. 2013. no. 2 (36). pp. 24-36. [In Russian]
8. Dmitriev V.M., Gandzha T.V., Gandzha V.V., Mal'cev Ju.I. SVIP – sistema virtual'nyh instrumentov i priborov [SVIP - a system of virtual instruments and appliances]. Tomsk: V-Spektr, 2014. 216 p. [In Russian]
9. Dmitriev V.M., Shutenkov A.V., Zajchenko T.N., Gandzha T.V. MARS – sreda modelirovanija tehnicheskih ustrojstv i sistem [MARS - technical devices and systems modeling environment]. Tomsk: V-Spektr, 2011. 278 p. [In Russian]
10. Dmitriev V.M., Gandzha T.V., Korotina T.Ju. Redaktor virtual'nyh instrumentov i priborov [Editor of virtual instruments and appliances]. Instruments and Systems: Monitoring, Control, and Diagnostics. 2009. no. 6. pp. 19-24. [In Russian]
11. Dmitriev V.M., Gandzha T.V. Princip formirovanija mnogourovnevyh komp'juternyh modelej SCADA-sistem dlja upravlenija slozhnymi tehnologicheskimi ob#ektami [The principle of forming multi-level computer models of SCADA-systems for the management of complex technological objects]. Information science and control systems. 2013. no. 2 (36). pp. 24-35. [In Russian]
12. Dmitriev V.M., Arajs L.A., Shutenkov A.V. Avtomatizacija modelirovanija promyshlennyh robotov [Automation simulation of industrial robots]. Moscow: Mashinostroenie, 1995. 304 p. [In Russian]
13. Dmitriev V.M., Gandzha T.V., Vazhenin S.K. Principy postroenija modelej slozhnyh tehnologicheskih ob#ektov s neodnorodnymi vektornymi svjazjami [Principles of construction of models of complex technological objects with heterogeneous connections vector]. Modern technologies. System analysis. Modeling. 2014. no. 1. pp. 104–111. [In Russian]
14. Dmitriev V.M., Shutenkov A.V., Gandzha T.V. Arhitektura universal'nogo vychislitel'nogo jadra dlja realizacii virtual'nyh laboratorij [The architecture of a universal computing core for implementing virtual labs]. Instruments and Systems: Monitoring, Control, and Diagnostics. 2004. no. 2. pp. 24-28. [In Russian]